精心总结:印制电路板的电磁兼容性设计规范
摘要:印制电路板的电磁兼容性设计规范
引言
本人结合自己在军队参与的电磁兼容设计工作实践,空军系统关于电子对抗进行的两次培训(雷达系统防雷、电子信息防泄露)及入司后参与706所杨继深主讲的EMC培训、701所周开基主讲的EMC培训、自己在地方电磁兼容实验室参与EMC整改的工作体验、特别是国际IEEE委员发表的关于EMC有关文章、与地方同行的交流体会,并结合公司的实验情况,对印制电路板的电磁兼容性设计进行了一下小结,希望对印制电路板的设计有所作用。
需要提醒注意的是:总结中只是提供了一些最基础的结论,对具体频率信号的走线长度计算、应考虑的谐波频率、波长、电路板级屏蔽、屏蔽体腔的设计、屏蔽体孔径的大小、数目、进出导线的处理、截止导波管直径、长度的计算及静电防护,雷电防护等知识没有进行描述。或许有些结论不一定正确,还需各位指正,本人将不胜感谢。
一、元器件布局
印刷电路板进行EMC设计时,首先要考虑布局,PCB工程师必须和结构工程师、EMC工程师一起协调进行,做到两者兼顾,才能达到事半倍。
首先要考虑印刷电路板的结构尺寸大小,考虑如何对器件进行布置。如果器件分布很散,器件之间的传输线可能会很长,印制线路长,阻抗增加,抗噪声能力下降,成本也会增加。如果器件分布过于集中,则散热不好,且邻近线条易受耦合、串扰。因此根据电路的功能单元,对电路的全部元器件进行总体布局。同时考虑到电磁兼容性、热分布、敏感器件和非敏感器件、I/O接口、复位电路、时钟系统等因素。
一般来说,整体布局时应遵守以下基本原则:
1、当线路板上同时存在高、中、低速电路时,应该按逻辑速度分割:布置快速、中速和低速逻辑电路时,高速的器件(快逻辑、时钟振荡器等) 应安放在靠近连接器范围内,减少天线效应、低速逻辑和存储器,应安放在远离连接器范围内。这样对共阻抗耦合、辐射和交扰的减小都是有利的。
2、在单面板或双面板中,如果电源线走线很长,应每隔3000mil对地加去耦合电容,电容取值为10uF+1000pF,滤除电源线上高频噪声。
3、在单面板和双面板中,滤波电容的走线应先经滤波电容滤波,再到器件管脚,使电源电压先经过滤波再给IC供电,并且IC回馈给电源的噪声也会被电容先滤掉。至于去耦电容安放位置要根据实际情况来定,并不是绝对放在电源正极处,也可能放在电源负极处,原则上保证接地阻抗最小。
4、时钟线、总线、射频线等强辐射信号线远离接口外出信号线至少1000mil,避免强辐射信号线上的干扰耦合到外出信号线上向外辐射,晶体、晶振、继电器、开关电源等均为强辐射器件布局时应着重考虑。
5、滤波器(滤波电路)的输入、输出信号线不能相互平行、交叉走线,避免滤波前后的走线直接噪声耦合。
6、对于始端串联匹配电阻,应靠近其信号输出端放置,即驱动源放置。
7、为IC滤波的各滤波电容应尽可能靠近芯片的供电管脚放置,减少高频回路面积,从而减少辐射。
8、在PCB板上,接口电路的滤波、防护以及隔离器件应该靠近接口放置,并且遵循先防护后滤波的原则。
9、线路板电源输入口的滤波电路应靠近接口放置。
10、当接口电路采用隔离方式进行滤波设计时,其RC、LC电路应采用如下布局,且隔离区其他层不允许有其他走线。
11、靠近PCB板边缘4mm以内不允许放置元器件。
12、按照电路信号的流向安排各个功能电路单元的位置,使布局便于信号流通,并使信号尽可能保持一致的方向,信号走线最短、不产生回流。
13、以每个功能电路的核心元件为中心,围绕它来进行布局。元器件应均匀、整齐、紧凑地排列在PCB上,尽量减少和缩短各元器件之间的引线和连线。
14、高频工作的电路,要考虑元器件之间的分布参数。一般电路应尽可能使元器件同一方向排列。
15、尽可能缩短高频元器件之间的参数,减少它们的分布参数和相互间的电磁干扰。易受干扰的器件不要相互挨得太近,输入和输出元件应尽可能远离。
16、元器件的位置应按电源电压、数字及模拟电路、速度快慢、电流大小等进行分组,以免相互干扰。根据元器件的位置可以确定印制板连接器各个引脚的安排。所有连接器应安排在印制板的一侧,尽量避免从两侧引出电缆,减少共模辐射。
17、高频滤波电容必须放在每个IC电源的引脚附近,减少对地回路,且要求每个电源引脚放一个高频小电容。
18、存在较大电流变化的单元电路或器件(如电源模块的I/O,风扇及继电器)附近应放置储能电容和高频滤波电容。
二、印制板布线
在印制板布线时,应先确定元器件在板上的位置,然后布置地线、电源线,再安排高速信号线,最后考虑低速信号线。应先布地线,这条规则很重要,地线*好布成网状布置。
1、电源线:在考虑安全条件下,电源线应尽可能靠近地线,以减小差模辐射的环面积,也有助于减小电路的交扰。
2、时钟线、信号线和地线的位置:信号线与地线距离应较近,形成的环面积较小,时钟线两边应尽可能进行包地线处理,防止时钟信号对其他信号的串扰,且包地线要可能多的打地过孔与地平面相连,减少接地阻抗,防止地线成为一个发射天线。
◇时钟线包地处理
3、时钟线和信号线尽量不要换层走线,如确因实际情况需换层时,在走线过孔处,需打地过孔。
◇时钟线过孔处、信号线过孔处打地过孔
4、时钟线、总线、射频线等关键信号走线和其他同层平行走线应满足3W原则。
5、应避免印制电路板导线的不连续性:◇迹线宽度不要突变 ◇导线不要突然拐角,信号走线避免“毛剌”、“锐角”、“直角”、“宽度不一致”等情况。
◇导线不要突然拐角
◇迹线宽度不要突变
6、输入输出线应尽可能避免相邻长距离的平等,减少输入输出间的串扰(差分线除外)。
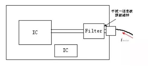
7、电路板上的滤波器(滤波电路)下方不要有其他无关信号走线。
8、晶振走线尽可能靠近IC,且在时钟线两边进行包地处理,时钟接地脚与CPU接地脚应同层直接靠近连接,减少晶振接地回路。时钟线的线宽至少10mil,护送地线的线宽至少20 mil。时钟晶振下*好露出地铜皮,增加电容耦合。
9、关键信号线(如时钟线、总线、接口信号线、很射频线、复位线、片选线)一般都是强辐射源或敏感信号线,尽可能靠近地平面布线,使其信号回路面积减少,减少其辐射强度或提高抗干扰能力。
10、高频信号线要远离时钟或晶振走线,如时钟线和高速信号线尽量不要平行走线,确因实际情况需平行走线,应用地线隔开。
11、关键信号线距参考地平面边沿≥3H(H为线距离参考平面的高度),特别是电源走线
12、模拟信号的高低电平信号线要分别走在地层两侧或电源两侧。
13、差分信号线应同层、等长、并行走线,保护阻抗一致,差分线间不应有其他走线。当确因实际情况要打过孔时,应同时打过孔,且不能相距太远。
14、关键信号线走线不要跨分区走线,如一定要跨分区走线,则在走线附近采用桥接方式,使信号形成完整回路。
15、布线时应把回流面积最小化作为*高原则
16、电源平面应相对于其相邻地平面内缩20H,当因结构限制时,也应保证5H
17、信号线和地址线的走线应避免形成地排或地沟
三、电源的EMC设计
电源方面的EMC设计不仅仅包括开关电源的EMC设计,还包括数字电路、模拟电路方面的电源EMC设计。
开关电源方面的EMC设计主要包括电源前端共模滤波器、差模滤波器设计、开关变压器缓冲回路的参数设计、开关管和快速二极管的吸收回路的设计、开关变压器的屏蔽设计等项目。主要根据具体产品来进行具体设计。
模拟电路和数字电路电源部分的EMC设计是非常重要的一个部分,主要包括BULK去耦电容的选择、IC去耦电容的选择、整体去耦电容的选择、磁珠的选择、滤波方式的选择等。
电源开关的交流回路、整流器交流回路包含高幅梯形电流,这些电流中谐波含量成分很高,其频率远大于开关基频,峰值幅值可高达持续输入/输出直流电流幅度的五倍,过渡时间通常为50ns,这两个回路最容易产生电磁干扰。因此应优先布好这些回路,每个回路中的三种主要器件:滤波电容、电源开关或整流器、电感或变压器应彼此相邻地进行设置,调整元器件位置使它们之间的电流回路路径尽可能的短。
开关电源的布线规则为:
1、所有传送交流信号的引线要尽可能的短而宽。
2、尽可能地减少环路面积,以抑制开关电源的辐射干扰。
3、根据印刷线路板电流的大小,尽可能地加粗电源线宽度,减少环路电阻。
4、电源线、地线的走线与电流的方向一致,增加抗噪声能力。
开关电源的地线设计规则为:
1、通常选择单点接地:输入滤波电容公共端应是其它的接地点耦合到大电流的交流地的唯*连接点,同一级电路的接地点应尽量靠近,且本级电路的滤波电容应接在该级接地点上,主要是考虑电路各部分回流到地的电流是变化的。
2、尽量加粗接地线:地线宽度*好是地线 宽度比电源线宽,如有可能接地线宽度大于3mm,也可以用大面积铜层作为地线用,在印刷板上把没有用上的地方都与地相连,作为地线。
3、控制芯片的接地设计:功率地与信号地最终归为一个地,但功率地与电源地要形成回流,信号地与信号线形成回流,切不可把功率地和信号地混淆,功率地和信号地最终实现单点接地。IC控制地*好在其他交流电路环路都布置好后再放置,控制地要通过一特定的点连接到主电源地,减少检测部分、误差放大器和敏感输入端之间的连接而引入噪声。
四、数字电路的EMC设计
数字电路的EMC设计主要包括有源器件的选择、时钟电路的EMC设计、数据总线和地址总线的EMC设计、阻抗匹配和接地反弹的设计、总线驱动器的滤波设计等。
首先应注意器件的选择:应优先选用器件上升沿平滑的器件。高速数字器件的布线易产生振铃。该振铃通常表现为谐波发射。通常的解决方法是在高速数据线上串一个阻尼电阻或串一个磁珠。
90%的EMI是由于10%的关键电路引起的,因此布线时要特别关注关键电路的布线。关键电路主要有时钟电路、高速数据总线、地址总线、复位线、中继线、控制线等,布线时应优先布好这些关键线路。
高速数据电路的接地设计为:一般采用多点接地,减少接地阻抗。
高速数据电路的电源设计为:
电路板入口处的电源去耦:大多数电路板的电源入口处去耦包括一个大的去耦电解电容并一到两个小的高频去耦电容,主要作用是为数字电路提供再充电,同时减少高频噪声。
器件去耦:任何钟控器件(除微处理器外),必须在电源引脚加高速电容去耦,如果提供了多个电源和地线的管脚都必须加去耦电容。
高速数据电路的布线规则为:
1、时钟线、信号和地线的位置:信号线与地线距离应较近,形成的环面积较小,时钟线两边应尽可能进行包地线处理,防止时钟信号对其他信号的串扰,且包地线要可能多的打地过孔与地平面相连,减少接地阻抗,防止地线成为一个发射天线。
2、按逻辑速度分割:当需要在电路板上布置快速、中速和低速逻辑电路时,高速的器件(快逻辑、时钟振荡器等) 应安放在靠近连接器范围内,减少天线效应、低速逻辑和存储器,应安放在远离连接器范围内。这样对共阻抗耦合、辐射和交扰的减小都是有利的。
3、应避免印制电路板导线的不连续性:◇迹线宽度不要突变 ◇导线不要突然拐角
4、输入输出线不要紧靠时钟线或振 荡器线、电源线等电磁热线,也不要紧靠复位线、中断线、控制线等敏感信号线,应尽可能避免相邻长距离的平等,减少输入输出间的串扰(差分线除外)。
5、信号走线避免“毛剌”、“锐角”、“直角”、“宽度不一致”等情况。
6、晶振走线尽可能靠近IC,且在时钟线两边进行包地处理,时钟接地脚与CPU接地脚应同层直接靠近连接,减少晶振接地回路。时钟线的线宽至少10mil,护送地线的线宽至少20 mil。
7、关键信号线(如时钟线、总线、接口信号线、很射频线、复位线、片选线)一般都是强辐射源或敏感信号线,尽可能靠近地平面布线,使其信号回路面积减少,减少其辐射强度或提高抗干扰能力。
8、高频信号线要远离时钟或晶振走线,如时钟线和高速信号线尽量不要平等走线,确因实际情况需平行走线,应用地线隔开。
9、时钟线和信号线尽量不要换层走线,如确顺实际情况需换层时,在走线过孔处,需打地过孔。
10、差分信号线应同层、等长、并行走线,保护阻抗一致,差分线间不应有其他走线。
11、关键信号线走线不要跨分区走线,如一定要跨分区走线,则在走线附近采用桥接方式,使信号形成完整回路。
12、金属外壳接地的器件如晶振,应在其投影面的顶层上铺接地铀皮,目的是通过金属外壳与接地铜皮之间的分布电容来抑制其对外辐射和提高抗干扰能力。
五、模拟电路的EMC设计
模拟电路的EMC设计主要考虑EMS,因为模拟器件对产品的抗干扰非常敏感,因此模拟电路主要是在必要的端口加防护器件,抑制外来的电子干扰。常用的防护器件有滤波器件、磁珠、瞬态抑制二极管、共模扼流圈、隔离变压器等。
模拟电路工作在低频状态下,任何mv级的电压变化都会引起工作状态的改变,因此模拟电路的EMC设计主要考虑EMS,对这些灵敏电路单点接地是*好的接地方式,接地的主要目的是防止来自其他噪声元件如数字电路、开关电源、继电器的大接地电流争用敏感的模拟地线。接地环路必须避开一切敏感的低频模拟电路。
对数模混合的电路,其接地方式*好不要进行地分割。现在芯片发展迅速,大部分芯片中数字电路和模拟电路皆有,对于这种情况,*好将数字地与模拟地混合,而在布局上将模拟部分的外围器件集中放置,远离干扰源。
六、接口电路的EMC设计
接口电路的EMC设计包括接口电路的滤波电路设计和接口电路的防护设计。
接口电路滤波设计的目的是减小系统通过接口及电缆对外产生的辐射,抑制外界辐射和传导噪声对整机系统的干扰;
接口防护电路设计的目的是使电路可以承受一定的过电压、过电流的冲击。
接口滤波电路和防护电路设计应遵循下面的基本设计原则:
1、滤波和防护电路对接口信号质量的影响满足要求。
2、滤波和防护电路应根据实际需要设计,不能简单拷贝。
3、需要同时进行滤波电路和防护电路时,应保证先防护后滤波的原则。
4、接口芯片,包括相应的滤波、防护、隔离器件等,应尽可能沿信号流方向成直线放置在接口连接器处。
5、接口信号的滤波、防护、隔离器件等尽可能靠近接口连接器处,相应的信号连接线必须尽可能短(符合工艺要求条件下的最短距离)。
6、接口变压器要就近放置在连接器附近,通常在对应接口连接器3cm以内。
7、模拟信号接口和数字信号接口、低速逻辑信号接口和高速逻辑信号接口等(以敏感和干扰发射程度来区分),它们之间要间隔一定距离放置。当连接器之间存在相互干扰的可能时,必须采取隔离、屏蔽等措施。
8、同一接口连接器里存在不同类型的信号时,必须用地针隔离这些信号,特别是对于一些比较敏感的信号。
9、接口信号线走线的线宽应始终一致。对于高速信号线,如果走线有需要弯曲的地方,则应采用圆弧平滑地弯曲走线。
10、禁止在差分线和信号回线之间走其他信号线,差分对线对应的部份应平行、就近、同层走线,且走线的长度尽可能一致。
11、当接口信号线较长(从驱动、接收器到接口连接器超过2.5cm),应按传输线布线方法,使走线满足规定的特性阻抗。
12、所有的信号走线不能跨平面走线,除非已经过隔离滤波器。
13、接口信号连接器建议选用带屏蔽外壳的连接器,尤其是高频信号连接器。
14、连接器的金属外壳应与机壳保持良好的电连续性,对于能够360度环绕的连接器,则必须360度环绕连接,而且通常连接阻抗要小于1mΩ。
15、对于不能进行360度环绕连接的连接器,则建议采用外壳四周有向上簧片的连接器,而且簧片必须有足够的尺寸和性能(弹性),以保持与机壳间有良好的电连接。
16、滤波连接器对产品EMC性能往往有很大的帮助,但其成本比较高,通常在采用板内滤波、电缆屏蔽等方法能解决问题的情况下,就不采用滤波连接器。
17、屏蔽线的屏蔽层要尽可能与接插件外壳保持360度的连接。对于做不到这一点的接口,通常有其他对应的措施,来保证接口的EMC性能。
18、接口信号线和接口芯片,必须遵守供应厂商或标准的要求进行阻抗匹配、滤波、隔离、防护等。
七、结构的EMC设计
结构EMC设计包括底板、机壳和设备内部走线几种情形。
底板和机壳是为控制设备或功能单元中无用信号通路提供屏蔽的最有效方法,因此电子产品的底板和机壳*好采用金属结构或采用内部镀金属的塑料结构。
结构缝隙必须尽量减少结构的不连续性,以便控制来自底板和机壳进出的泄漏辐射。提高缝隙屏蔽效果的结构措施包括增加缝隙深度、减少缝隙长度,在接合处加导电衬垫,在接缝处涂导电涂料,缩短螺钉间距等措施。
结构开口方向应与磁力线方向一致,如果垂直磁力线方向则会产生切断磁力线,使磁阻增加,屏蔽效果变差。
设备内部走线混乱则对非屏蔽的电子设备来讲,设计的屏蔽、滤波电路、接地措施应不会起到应有的作用。内部走线太乱,不仅传输高、低电平信号之间相互骚扰,也给后期采用屏蔽、滤波、接地等补救措施带来不便。
设备内部走线的基本原则为:
1、机箱内各种裸露走线要尽量短。
2、传输不同电平信号的导线分组捆扎,数字电路和模拟电路信号线应分组捆扎,并保持适当距离,减少导线相互影响。
3、对产品中用来传递信号的扁平电缆,应采用地-信号-地-信号-地排列的方式,这样可以有效抑制骚扰,增强其抗干扰能力。
4、将低频进线和回线绞合在一起,形成双绞线,减少电磁骚扰。
5、对确定的辐射骚扰较大的导线要加屏蔽措施。
6、屏蔽电缆进出屏蔽体必须保证屏蔽层与屏蔽体之间可靠搭接,一般要求360°环接,并提供足够低的搭接阻抗。
7、非屏蔽电缆原则上禁止直接从屏蔽体中出线。特殊情况下允许直接出线,但是要求屏蔽体内侧(或者外侧)电缆的长度不得越过80mm,注意这个尺寸包括PCB上面的走线,如果有滤波电路,指滤波电路与屏蔽体之间的电缆长度。
8、非屏蔽电缆还有一种特殊处理措施就是:用金属丝网将非屏蔽电缆在屏蔽体内部分缠绕变成局部的屏蔽电缆,然后按照屏蔽电缆的方式进行处理。需要注意的是这种方法可能存在工艺性差,作用有限等缺陷。
9、屏蔽电缆还有一种特殊应用场合,有时系统规定其屏蔽层不得与屏蔽体(实际上就是PGND)连接,典型的例子是同轴电缆。这时的屏蔽电缆可以按照非屏蔽电缆处理(在屏蔽体一侧的长度不得超过80mm),或者采用双层屏蔽电缆。
八、接地设计
接地首先必须采用低阻抗设计,相对于其他电气的连接线,接地设计中要求接地线尽量粗、短,特别是在印制板设计上通常采用大面积连接。在接地设计中,地环路问题也是要重点考虑的问题,但地环回路一般出现在低频场合,大多数情况下采取低阻抗接地通路的设计方案来解决此类问题。
地环路在高速电路设计中不必要太多关心,因为这时很难去掉地环路,需要考虑的是如何降低地线的阻抗,因此数字电路常采用多点接地。但对低频模拟电路及小信号电路,地环路问题又是比较重要的,必须减少地环路面积,抑制地环路对低频模拟电路及小信号电路的骚扰。
在数字电路里,其工作特性不取决于电路中的工作频率,而是取决于该电路工作脉冲的上升沿和下降沿,因此数字电路产生的谐波频带非常宽,且幅度大,因此常采用多点接地减少接地阻抗。
由于现在IC器件往往是模拟和数字电路同时存在,因此在设计中往往采用单点和多点混合接地的形式。在数字电路中,采用多点接地或大面积接地方式;在模拟电路,采用单接地。
实际上,在电路板设计中,上述接地方法可以很好的实现;但是在系统设计的接地设计中,由于要考虑信号传输质量的好坏,另外系统对EMS、安全设计以及相应的EMC性能要求使接地变得更为复杂。
单点和多点接地是设计人员关心的一个问题。单点接地适合小信号和模拟电路,多点接地适合高频电路设计。因为在小信号和模拟电路设计中,mV级的干扰就可能会影响电路的性能,单点接地可以控制电流的路径,避免地环路的形成。而在高频电路中,引线电感和寄生电容都可能是破坏单点接地因素,从而构成大的接地阻抗和隐性的地环路。因此不少工程师通常将数字地与模拟地分开,但由于印制板的限制又不能完全遵循EMC设计原则,导致印制板设计的失败。现代 科学技术的飞速发展,集成芯片的发展速度非常快,一个芯片中往往包括数字电路和模拟电路,如果将数字地和模拟地完全分开,再有经验的PCB工程师估计也难实现。为了证明数字地与模拟否能混合,国际IEEE委员Tony Waldron在对某大型影剧院进行EMC整改时,将两个地混合为一个完整的地,彻底解决了导线长达20多米的麦克风尖叫(hum)问题,当电源合上时整个影剧院悄无声息,在场的工程师简直不相信自己的耳朵。
来源:道客巴巴





陕公网安备 61019002000416号

业务咨询